Какво е десорбционна електролитна система и защо е от съществено значение за съвременното извличане на злато

TheДесорбционна електролитна системае ключова технология в съвременното извличане на злато, особено в процесите въглерод в пулпа (CIP) и въглерод в излугване (CIL). Този блог изследва как работи системата, нейните компоненти, предимства и защо се е превърнала в стандарт за ефективно възстановяване на злато. Ние също подчертаваме как компаниите харесватEPICстимулират иновациите в тази област. В крайна сметка ще имате цялостно разбиране за това как тази система повишава производителността, намалява разходите и подобрява степента на възстановяване.

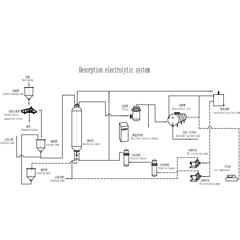
Desorption Electrolytic System

Съдържание


Какво е десорбционна електролитна система

A Десорбционна електролитна системае усъвършенствана система за възстановяване на злато, използвана за извличане на злато от активен въглен. Той се прилага широко в минни операции, където златото се абсорбира върху въглеродни частици по време на процеса на излугване.

  • Десорбция: Отстранява златото от въглерод с помощта на разтвори с висока температура и високо налягане
  • Електролиза: Възстановява златото от разтвора върху катодите
  • Система със затворен контур: Осигурява ефективност и минимални загуби

Тази система е от съществено значение за подобряване на ефективността на възстановяването и намаляване на оперативните разходи, което я прави основен компонент в съвременните заводи за обработка на злато.


Как работи десорбционната електролитна система

Принципът на работа на aДесорбционна електролитна системавключва два основни етапа:

  1. Етап на десорбция:Зареденият със злато въглерод се третира с горещ алкален цианиден разтвор, освобождавайки златни йони.
  2. Етап на електролиза:Богатият на злато разтвор преминава през електролитна клетка, където златото се отлага върху катоди от стоманена вата.

Процесът осигурява висока ефективност и позволява непрекъсната работа, поради което системите от компании харесватEPICса широко разпространени в индустриални приложения.


Основни компоненти на системата

Компонент функция
Десорбционна колона Задържа активен въглен и улеснява отстраняването на златото
Електролитна клетка Възстановява злато чрез електролиза
Топлообменник Поддържа необходимата температура
Филтърна система Отстранява примесите от разтвора
Система за контрол Автоматизира работата и следи параметрите

Всеки компонент играе жизненоважна роля за осигуряване на ефективна и последователна работа на системата.


Технически предимства и характеристики

  • Висок процент на възстановяване на златото (до 98%)
  • Ниска консумация на енергия
  • Автоматизирана работа за намалени разходи за труд
  • Компактен дизайн за ефективно пространство
  • Екологичен с минимални емисии

Производителите харесватEPICнепрекъснато оптимизирайте тези системи, за да отговорят на променящите се изисквания на индустрията, като гарантират по-добра производителност и надеждност.


Приложения в обработката на злато

TheДесорбционна електролитна системасе използва широко в:

  • Инсталации за добив на злато
  • CIP (Carbon-in-Pulp) операции
  • CIL (Carbon-in-Leach) процеси
  • Възстановяване на златни хвостове

Неговата гъвкавост го прави подходящ както за широкомащабно промишлено копаене, така и за по-малки операции, търсещи подобрения на ефективността.


Сравнение с традиционните методи

Характеристика Десорбционна електролитна система Традиционни методи
Ефективност високо Умерен
Автоматизация Напълно автоматизиран Ръчно или полуавтоматично
цена По-ниски дългосрочни разходи По-високи оперативни разходи
Въздействие върху околната среда ниско По-високо

Ясно е, че модерната система предоставя значителни предимства пред традиционните техники за възстановяване на злато.


Ръководство за избор за купувачи

При избора на aДесорбционна електролитна система, вземете предвид следните фактори:

  • Капацитет за обработка
  • Ниво на автоматизация
  • Енергийна ефективност
  • Репутация на производителя (напр. EPIC)
  • Поддръжка след продажбата

Изборът на правилната система гарантира дългосрочен оперативен успех и максимална възвръщаемост на инвестициите.


Съвети за поддръжка и работа

  • Редовно проверявайте тръбопроводите и клапаните
  • Следете нивата на температура и налягане
  • Периодично почиствайте електролитните клетки
  • Сменете износените компоненти своевременно
  • Следвайте стриктно указанията на производителя

Правилната поддръжка значително удължава живота на системата и осигурява постоянна работа.


ЧЗВ

1. Каква е основната цел на десорбционната електролитна система?

Основната му цел е ефективно извличане и възстановяване на злато от активен въглен.

2. Колко ефективна е системата?

Повечето системи постигат степен на възстановяване на златото над 95%, в зависимост от работните условия.

3. Екологична ли е системата?

Да, модерните системи са проектирани да минимизират емисиите и да намалят химическите отпадъци.

4. Може ли да се персонализира?

Да, компании като EPIC предлагат адаптивни решения въз основа на изискванията за обработка.

5. Кои индустрии използват тази система?

Основно в златодобивната индустрия, но също и в приложения за възстановяване на благородни метали.


Заключение

TheДесорбционна електролитна системапредставлява пробив в технологията за възстановяване на златото, предлагайки несравнима ефективност, надеждност и екологично представяне. С непрекъснат напредък от лидери в индустрията катоEPIC, тази система става все по-важна за съвременните минни операции. Ако искате да оптимизирате процеса на извличане на злато и да подобрите рентабилността, инвестирането във висококачествена система е умен избор.Свържете се с насднес, за да научите повече за това как можем да предоставим персонализирани решения за вашите нужди.

Изпратете запитване

X
Ние използваме бисквитки, за да ви предложим по-добро сърфиране, да анализираме трафика на сайта и да персонализираме съдържанието. Използвайки този сайт, вие се съгласявате с използването на бисквитки от наша страна. Политика за поверителност